Catalogue de machines à laver LINEA P
| Capacité de lavage ( Ø x H ) | Charge utile du panier | Réservoir | |
| P 100 | Ø 95 x H 54 cm | 200 kg | 210 lt |
|---|---|---|---|
| P 120 | Ø 117 x H 70 cm | 300 Kg | 270 lt |
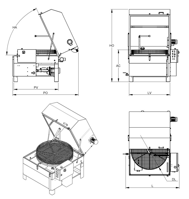
Machine à laver avec panier rotatif avec commandes électromécaniques
P est une installation qui permet le lavage automatique de pièces mécaniques.
Le lavage est effectuée grâce à l’action des jets supérieurs, inférieurs et latéraux.
La rotation du panier est effectué par un motorréducteur.
Le tableau est électromécanique.
L’opérateur peut régler la température du liquide du réservoir et la durée du traitement.
La nouvelle version HT (jusqu’à 80°) permet de réduire les temps de lavage et de réaliser des économies d’énergie significatives.

- LT (chauffage jusqu'à 60° C)
- HT (chauffage jusqu'à 80° C)

- Électromécanique

- Réservoir unique

- Entretien des voitures et des motos
- Entretien des camions
- Ingénierie mécanique, enlèvement de copeaux, fonderies, moulage
Vidéos du Produit
Les machines de lavage des pièces P100 et P120 permettent le lavage automatique de pièces de moyennes dimensions. L'opérateur place les pièces à laver à l'intérieur d'un panier, ferme le couvercle, et commence le cycle. Le cycle se réalise de façon totalement automatique ne demandant la présence d'un opérateur.
Durant le cycle le panier tourne lentement au moyen d'un motoréducteur et la pompe pulvérise en pression sur les pièces le liquide détergent mouillé par les tuyaux supérieurs, inférieurs et latéraux. Le liquide de lavage est composé de savons écologiques mélangés à bas pourcentage dans l'eau. Depuis le tableau de contrôle il est possible de régler au moyen d'un thermostat manuel la température du liquide (max 60°C) et grâce à un minuteur le temps de lavage (0-30 minutes). La structure, la pompe et tous les tuyaux de lavage sont en acier Inox AISI 304. Les machines de lavage des pièces P100 et P120 sont équipées d'une série d'aspiration motorisée, pour éviter que pendant l'ouverture du couvercle l'opérateur est investi par la vapeur.